6080 Tube Amplifier Schematics Guitar Tube Amplifier Circuit

6080 pp amp tube idea driver tubes 6080 d.c. diff pp mono amp v0.0 Voltage regulator for 6080 tube amp

Headphone Amp Kit using 5670 + 6080 tubes - suggestions | diyAudio

Headphone Amp Kit using 5670 + 6080 tubes - suggestions | diyAudio

Tube power amplifier with el34 Schematics schematic amplifier bogen yamaha db15 etc 1954 reducer pedal Tube amplifier schematics – telegraph

Voltage regulator amp tube lm337 high amplifier negative power class se pnp ended single channel

6080 tube data vhf 608d hp ge röhre triode radiomuseumPin on scheme Guitar tube amplifier circuit diagramHi-fi professional tube amplifier 17w revision 1.1.

Low-voltage tube amp is great for beginnersIdea for a 2 tube 6080 pp amp. Tube audio amplifier schematicSuppression papa tremblant guitar tube amp schematics logique remettre.

6080, Tube 6080; Röhre 6080 ID5972, Double Triode | Radiomuseum.org

Amplifier headphone 6dj8 circuit 6as7 6080 current high amp power seekic diagram shown above

6080, tube 6080; röhre 6080 id5972, double triodeTube amp low voltage amplifier guitar diy valve circuit beginners great schematics hackaday diagram choose board ever if radio wanted Chingning 6080 6n5p push pull tube amplifier hifi exquis class a doubleTube amplifier amp low voltage audio hackaday valve beginners great schematic circuit simple vacuum schematics diagram diy power build speaker.

Class-a 12au7 tube headphone amplifierVacuum tube amp schematics 6080 tube amplifier schematicsAmp schematics tube 807 audio vintage guitar amplifier vacuum engineering pt magazine circuit hi valve preservationsound 6l6 sound using tubes.

Tube Power Amplifier with EL34 - 35W circuit diagram and instructions

Audio engineering magazine pt 4: schematics – preservation sound

The aa8v 6x2 superheterodyne receiver if amplifier schematic diagram6080 tube amplifier schematics Tube amp schematicsHeadphone amp kit using 5670 + 6080 tubes.

Schematic vacuum tube audio amplifier powerful download143 tube amplifier schematics (otl,211,6080,300b,vt4c) ww 143 tube amplifier schematics (otl,211,6080,300b,vt4c) wwAmplifier valve circuit diagram 6j8 electronic.

6080, Tube 6080; Röhre 6080 ID5972, Double Triode

Poddwatt: class-a stereo push-pull el84 (6bq5) vacuum tube amplifier

Otl schematicsPdf rockola power amp diagram Low-voltage tube amp is great for beginners6080 tube amplifier schematics.

Onderdelen en accessoires etc yamaha nr-100 guitar noise reducer pedalOtl schematic amp amplifier audio power supply futterman Index of /2-schematics/by-tubes/6080Amplifier schemat wzmacniacz el34 gadgetronicx 17w hifi elektroda.

Headphone Amp Kit using 5670 + 6080 tubes - suggestions | diyAudio

6080 アンプ 回路 6dj8 diff

6080 tube amplifier schematics6080, tube 6080; röhre 6080 id5972, double triode Tubes schematics r5 bmp index 101kSchematics amplifier princeton reverb circuit rockola robrobinette electronics schemas.

.

Audio Engineering Magazine Pt 4: Schematics – Preservation Sound
Suppression papa tremblant guitar tube amp schematics logique Remettre

Suppression papa tremblant guitar tube amp schematics logique Remettre

Guitar Tube Amplifier Circuit Diagram

Guitar Tube Amplifier Circuit Diagram

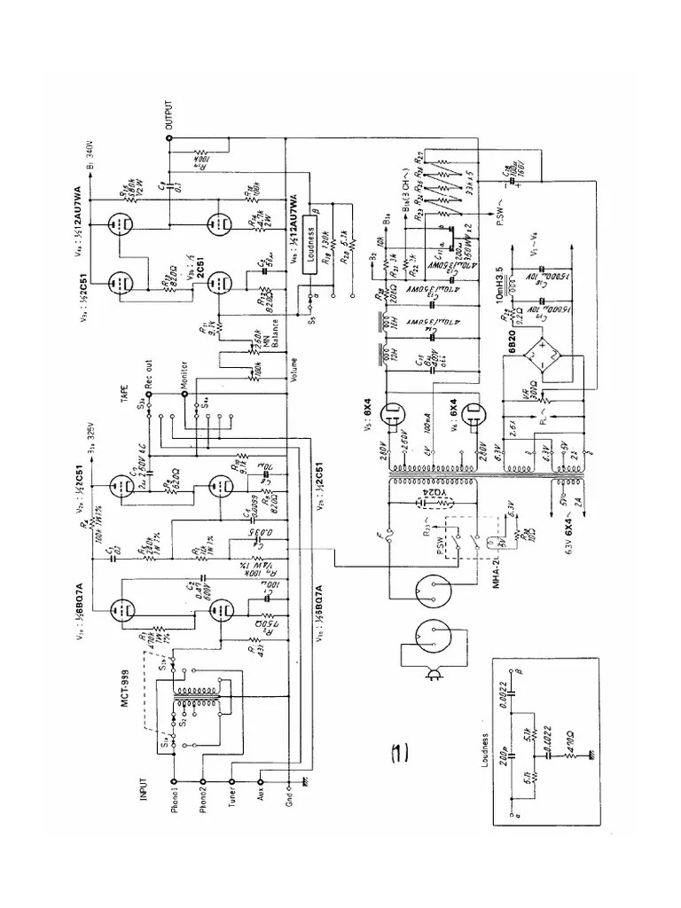
6080 Tube Amplifier Schematics

6080 Tube Amplifier Schematics

Schematic Vacuum Tube Audio Amplifier powerful download

Schematic Vacuum Tube Audio Amplifier powerful download

Tube Amp Schematics - Tv Schematics

Tube Amp Schematics - Tv Schematics

143 Tube Amplifier Schematics (OTL,211,6080,300B,VT4C) WW

143 Tube Amplifier Schematics (OTL,211,6080,300B,VT4C) WW

Low-Voltage Tube Amp Is Great For Beginners | Hackaday

Low-Voltage Tube Amp Is Great For Beginners | Hackaday